伟昌电子科技有限公司
TRN Electronic
Technology
Co.,LTD
PCBA方案选型
行业应用
间距
FFC-FPC
排针排母
代工开发
新闻
下载
主页
FAQ
汽车电子
LED灯
液晶显示器
安防监控
家用电器
工业自动化
医疗设备
数据存储传输
0.5mm
0.6mm
0.8mm
1.0mm
1.2mm
1.25mm
1.5mm
2.0mm
2.5mm
2.54mm
3.0mm
3.81mm
3.96mm
4.2mm
5.0mm
5.08mm
5.7mm
6.35mm
7.92mm
点击了解更多
0.2mm
0.3mm
0.4mm
0.5mm
0.8mm
1.0mm
0.8mm
1.0mm
1.27mm
1.5mm
1.8mm
2.0mm
2.54mm
分享到:
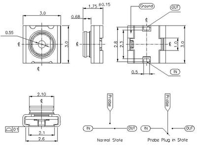
RF3.0x3.0x1.75mm
高度mm:
1.75
上一个:
RF2.6*3.0*1.25手机天线 导航天线 车载车机天线 导航模组天线 射频同轴贴片
下一个:
RF第1代板端线端
产品详情
在线咨询
工作时间
周一至周五 :8:30-17:30
周六至周日 :9:00-17:00
联系方式
Tel:0769-89783288
Mail:lilyplum@126.com